Giới thiệu bộ lọc nguồn, bộ lọc nhiễu, 1 pha, 3 pha
Bộ lọc nguồn, bộ lọc nhiễu, 1 pha, 3 pha, Noise filter
Bộ lọc nguồn điện 1 pha, bộ lọc cho nguồn điện 3 pha. Lọc các xung điện áp gây nhiễu các thiết bị, sử dụng cho các bộ nguồn xung, máy hàn, UPS, Máy dệt, oscilloscopes, máy tính công nghiệp, bộ điều khiển, biến tần, driver servo, driver step, và các thiết bị khác.
Đặc biệt là các thiết có sử dụng tín hiệu analog, tryền xa, RS485 nếu không lắp lọc nguồn thì sẽ bị nhiễu, tín hiệu sai, chập chờn, bởi các xung điện áp (sóng mang) từ các thiết bị khác, điển hình như là từ biến tần. Bộ lọc nguồn cho ra nguồn điện “sạch”, ổn định.
Bộ lọc nhiễu đồng thời cũng lọc các sóng nhiễu sinh ra từ thiết bị quay ngược vào hệ thống, sẽ giúp cho các thiết bị xung quanh hoạt động ổn định, chính xác, và tăng tuổi thọ.
Lọc nguồn cho máy tính, lọc nguồn cho thiết bị âm thanh, hệ thống camera, lọc nguồn cho máy CNC, các thiết bị gây nhiễu trong gia đình như máy sáy, máy xay sinh tố, máy hàn, máy khoang…
Bộ lọc nguồn lọc điện sạch cho các thiết bị mà xung quanh nó có các thiết bị gây nhiễu cao như biến tần, máy hàn, máy cắt…
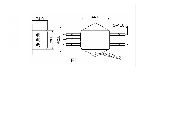
Thông số kỹ thuật Bộ lọc nguồn 1 pha:
– Dòng định mức: 6A.
– Điện áp lọc: sử dụng cho điện áp từ 110VAC hoặc 250VAC.
– Tần số hoạt động: 50/60Hz.
































